Optimisez la performance de votre installation de chauffage ou de votre système solaire grâce à ce circulateur automatique haut rendement Somatherm. Conçu pour offrir une double application chauffage et solaire, ce modèle assure une circulation fluide et silencieuse du fluide caloporteur, avec un encombrement standard (entraxe 180 mm) facilitant les remplacements. Sa régulation électronique intuitive permet d’adapter précisément la courbe de fonctionnement à vos besoins.
Les points forts de ce circulateur sont :
- Une consommation énergétique réduite (EEI < 0,20)
- Une puissance ajustable de 3 à 63 W
- Une hauteur manométrique maximale de 8,5 m
- Un niveau sonore inférieur à 33 dB(A) pour un confort acoustique optimal
- Plusieurs modes de fonctionnement : pression proportionnelle (P1 à P3), pression constante (CI à CIII) et vitesses fixes, pour s’adapter à tous types d’installations modernes.
Caractéristiques techniques principales :
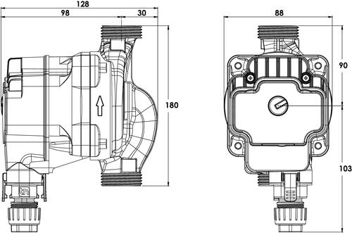
- Entraxe : 180 mm
- Diamètre : 25
- Raccordement : 40/49 (11/2)
- Puissance : 3 à 63 W
- Hauteur manométrique : 8 m
- Température liquide : +2°C à +110°C
- Pression système max. : 10 bar
- Classe d’isolation H, protection IP44, classe II
- Auto-dégommage
Conseils d’utilisation :
Avant l’installation, veillez à purger soigneusement les tuyauteries de l’installation pour éviter toute impureté susceptible d’endommager le circulateur. Celui-ci ne doit subir aucune torsion, traction ou contrainte mécanique pendant la pose. Idéal pour les réseaux de chauffage central et les systèmes solaires, ce circulateur est à installer uniquement sur des circuits fermés (non adapté à l’eau sanitaire). Pour éviter toute condensation dans le moteur, veillez à ce que la température du liquide reste toujours supérieure à celle de l’ambiance
×
Circulateur chauffage et solaire 1''1/2 (40/49) - 180mm - Basse consommation - Somatherm
En stock
Livraison sous 5/6 jours
Ajouté au panier
Aller au panier
Fréquemment achetés ensemble
Description – Détails techniques
Descriptif
Optimisez la performance de votre installation de chauffage ou de votre système solaire grâce à ce circulateur automatique haut rendement Somatherm. Conçu pour offrir une double application chauffage et solaire, ce modèle assure une circulation fluide et silencieuse du fluide caloporteur, avec un encombrement standard (entraxe 180 mm) facilitant les remplacements. Sa régulation électronique intuitive permet d’adapter précisément la courbe de fonctionnement à vos besoins.
Les points forts de ce circulateur sont :
- Une consommation énergétique réduite (EEI < 0,20)
- Une puissance ajustable de 3 à 63 W
- Une hauteur manométrique maximale de 8,5 m
- Un niveau sonore inférieur à 33 dB(A) pour un confort acoustique optimal
- Plusieurs modes de fonctionnement : pression proportionnelle (P1 à P3), pression constante (CI à CIII) et vitesses fixes, pour s’adapter à tous types d’installations modernes.
Caractéristiques techniques principales :
- Entraxe : 180 mm
- Diamètre : 25
- Raccordement : 40/49 (11/2)
- Puissance : 3 à 63 W
- Hauteur manométrique : 8 m
- Température liquide : +2°C à +110°C
- Pression système max. : 10 bar
- Classe d’isolation H, protection IP44, classe II
- Auto-dégommage
Conseils d’utilisation :
Avant l’installation, veillez à purger soigneusement les tuyauteries de l’installation pour éviter toute impureté susceptible d’endommager le circulateur. Celui-ci ne doit subir aucune torsion, traction ou contrainte mécanique pendant la pose. Idéal pour les réseaux de chauffage central et les systèmes solaires, ce circulateur est à installer uniquement sur des circuits fermés (non adapté à l’eau sanitaire). Pour éviter toute condensation dans le moteur, veillez à ce que la température du liquide reste toujours supérieure à celle de l’ambiance
Les points forts de ce circulateur sont :
- Une consommation énergétique réduite (EEI < 0,20)
- Une puissance ajustable de 3 à 63 W
- Une hauteur manométrique maximale de 8,5 m
- Un niveau sonore inférieur à 33 dB(A) pour un confort acoustique optimal
- Plusieurs modes de fonctionnement : pression proportionnelle (P1 à P3), pression constante (CI à CIII) et vitesses fixes, pour s’adapter à tous types d’installations modernes.
Caractéristiques techniques principales :
- Entraxe : 180 mm
- Diamètre : 25
- Raccordement : 40/49 (11/2)
- Puissance : 3 à 63 W
- Hauteur manométrique : 8 m
- Température liquide : +2°C à +110°C
- Pression système max. : 10 bar
- Classe d’isolation H, protection IP44, classe II
- Auto-dégommage
Conseils d’utilisation :
Avant l’installation, veillez à purger soigneusement les tuyauteries de l’installation pour éviter toute impureté susceptible d’endommager le circulateur. Celui-ci ne doit subir aucune torsion, traction ou contrainte mécanique pendant la pose. Idéal pour les réseaux de chauffage central et les systèmes solaires, ce circulateur est à installer uniquement sur des circuits fermés (non adapté à l’eau sanitaire). Pour éviter toute condensation dans le moteur, veillez à ce que la température du liquide reste toujours supérieure à celle de l’ambiance
Détails techniques
| Type de produit | Circulateur |
|---|---|
| Usage | Chauffage |
| Marque | Somatherm |
| Matière | Fonte |
| Raccordement | 1''1/2 (40/49) |
| Diamètre | 25 |
| Entraxe | 180 mm |
| Hauteur manométrique | 8 m |
| Certification | CE |
| Garantie | 5 ans |
| Référence | s602010559a |